陶瓷霧化片 Atomization Piece
陶瓷晶振 Ceramic SMD crystal
陶瓷濾波器 CeramicFilter
聲表面濾波器|諧振器 SAW filter
千赫晶體KHZ KHz Crystal
石英晶振 Quartz Crystal
貼片晶振 SMD crystal
NJR晶振
應達利晶振
日本大真空晶體 KDS晶振
精工晶振 SEIKO晶體
日本村田陶瓷晶振
西鐵城晶振 CITIZEN晶振
愛普生晶振 EPSON晶振
NSK晶振 NSK晶振
大河晶振 大河晶振
CTS晶振 美國CTS晶振
TXC晶振 TXC晶振
鴻星晶振 鴻星晶振
加高晶振 加高晶振
百利通亞陶晶振 百利通亞陶晶振
泰藝晶振 泰藝晶振
京瓷晶振 京瓷晶振
NDK晶振 NDK晶振
希華晶振 希華晶振
富士晶振 富士晶振
MERCURY晶振
NAKA晶振
SMI晶振
安基晶振
NKG晶振
Renesas瑞薩晶振
ITTI晶振
CTS晶振
Abracon晶振
微晶晶振
瑞康晶振
FOX晶振
Statek晶振
ECS晶振
IDT晶振
高利奇晶振
SiTime晶振
日蝕晶振
康納溫菲爾德晶振
Jauch晶振
維管晶振
拉隆晶振
格林雷晶振
Pletronics晶振
AEK晶振
AEL晶振
Cardinal晶振
Crystek晶振
Euroquartz晶振
Frequency晶振
GEYER晶振
ILSI晶振
KVG晶振
MMDCOMP晶振
MtronPTI晶振
QANTEK晶振
QuartzCom晶振
QuartzChnik晶振
SUNTSU晶振
Transko晶振
WI2WI晶振
韓國三呢晶振
ARGO晶振
ACT晶振
Milliren晶振
韓國Lihom晶振
rubyquartz晶振
美國Oscilent晶振
韓國SHINSUNG晶振
PDI晶振
C-TECH晶振
IQD晶振
Microchip晶振
Fortiming晶振
CORE晶振
NIPPON晶振
NIC晶振
QVS晶振
Bomar晶振
Bliley晶振
GED晶振
FILTRONETICS晶振
STD晶振
Q-Tech晶振
Anderson晶振
Wenzel晶振
NEL晶振
EM晶振
德國PETERMANN晶振
荷蘭FCD-Tech晶體
HEC晶振
FMI晶振
Macrobizes晶振
德國AXTAL晶振
Silicon晶振
SKYWORKS晶振
DEI晶振
石英晶體振蕩器 石英晶體振蕩器
壓控晶振 壓控晶振
溫補晶振 溫補晶振
壓控溫補晶振 壓控溫補晶振
恒溫晶振 恒溫晶振
差分晶振 差分晶振
32.768K有源晶振 32.768K有源晶振
座機: 0755-27876565
手機: 18924600166
E-mail:yijindz@163.com
QQ:857950243
地址:深圳市寶安區新安107國道旁甲岸路
日本京瓷晶振,CX2520DB晶振,KSS四腳諧振器

日本京瓷晶振,CX2520DB晶振,KSS四腳諧振器,本產品已被確定的高信賴性最適合用于汽車電子部件,晶體在極端嚴酷的環境條件下也能發揮穩定的起振特性,晶振本身具有耐熱,耐振,耐沖擊等優良的耐環境特性,滿足無鉛焊接的高溫回流溫度曲線要求,符合AEC-Q200標準.

| 項目 | 記號 | 標準規格 | 單位 |
| 型號 | CX2520DB | ||
| 頻率范圍 | f_nom | 15000~54000 | KHZ |
| 負載電容 | OT | 8 | PF |
| 精度 | CL | ±15 | ×10﹣6 |
| 直列抵抗 | R1 | Table | ohm |
| 工作溫度范圍 | T_use | -10 ~+70 | °C |
| 保存溫度范圍 | T_stg | -40~+85 | °C |
| 頻率溫度特性 | f_tem | ±15 | ×10﹣6 |
| 包裝 | pcs | 3000 | Pcs |
.jpg)

.jpg)
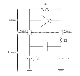
典型的振蕩電路的原理圖
Rf (回授電阻):
用來回授電流與訊號至輸入端或調整OP放大器的增益值(gm).
Rd (阻尼電阻/限流電阻):
用來抑制流經石英晶體的電流量降低振幅(有時會因驅動電壓大小不同而選擇使用或取消).
Cg & Cd (接地電容):
用來調整輸出頻率、負性阻抗與Drive level的大小.
負載電容 (CL):
石英諧振器一般作為電感組件在振蕩電路中起穩定頻率作用,而電路的其他組件均可等效為一個負載電容與石英諧振器串聯或并聯.
負載電容的大小將對石英諧振器的等效參數及頻率穩定度帶來影響.

.png)
※ CL: Crystal的負載電容
※ Cd & Cg :接地電容
1959年 月于4月1日在京都市中京區西之京原町101番地建立公司總部并設立工廠(注冊資金300萬日元、員工28名)作為一家精密陶瓷的專業生產商 -“京都陶瓷株式會社”開始創業
1972年 9月 股票在東京證券交易所第2市場部上市
1975年 7月 美國Kyocera International, Inc. 總公司及工廠搬遷至美國圣迭戈
1979年 12月在日本設立鹿兒島電子株式會社
1983年 10月合并株式會社雅西卡
1984年 8月在日本千葉縣佐倉市設立太陽能中心
1987年 1月在美國設立Kyocera America, Inc.及 Kyocera Electronics, Inc.
1991年 10月制定京瓷環境憲章
1995年 3月在日本神奈川縣橫濱市設立橫濱研發中心(現橫濱事業所),移交東京中央研究所
1998年 4月稻盛和夫名譽會長與訪問京瓷總部的國家副主席胡錦濤(當時)會面
1999年 8月在美國亞利桑那州成立Kyocera Solar, Inc.
2000年 1月三田工業株式會社更名為京瓷美達株式會社(現京瓷辦公信息系統株式會社)

為追求生產綠色產品之目標,將環保理念納入采購流程中,采購人員于收集市場資訊時,優先提供符合「大河電子無有害物質管理作業標準」之材料相關資訊予產品設計人員參考,并依其要求提供符合規范之樣品與規格.原材物料承認時,采購人員須請供應商填寫公司提供之問卷表單及相關RoHS檢測報告,經原材物料相關審驗單位審查通過后,方可使用. .jpg)
聯系人:鐘洋SHENZHEN YIJIN ELECTRONICS CO;LTD
電話:0755-27876565
手機:18924600166
QQ:857950243
郵箱:yijindz@163.com
網站:http://www.py519.com
地址:廣東省深圳市寶安區新安107國道旁









銷售代表