了解下有源晶體振蕩器的第二個時間基準計算
來源:http://www.py519.com 作者:億金電子 2019年09月11
晶振晶體應用廣泛,小到兒童玩具,大到軍事應用,所用到的晶振產品種類豐富,包括32.768K時鐘晶體,TCXO溫度補償晶體振蕩器,差分晶振,有源晶振,晶體濾波器,晶體諧振器等.為了更好的市場產品應用,了解其參數特性是一件較為重要的事情.下面億金電子帶大家了解下有源晶體振蕩器的第二個時間基準計算.
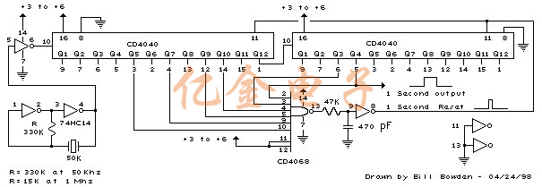
下面的示意圖說明了將石英晶體振蕩器信號除以晶體頻率,以獲得精確的(0.01%)1秒時基.兩個級聯的12級計數器(CD4040)形成24級二進制計數器,并且將適當的位門控在一起以產生所需的除法.使用一些偶數倍的2的石英晶體是理想的,這樣計數器的一級自動切換每秒,這消除了對NAND門和復位電路的需要,但是下面的電路說明使用的晶體不是2的偶數倍.所以需要額外的組件.
使用50Khz晶振時,當加起來50000的相應計數器位全部為高時,檢測到50000的計數.這對應于位15(32768)+14(16384)+9(512)+8(256)+6(64)+4(16).位14和15是第二計數器的第3和第4級,位0是第一計數器(Q1,引腳9)的第一級.要使用100Khz晶體,每個位將向右移動一次,因此總數將為(65536+32768+1024+512+128+32=100,000).使用1Mhz晶體,需要以下位: 在1Mhz時,有源晶體振蕩器電路中的330K電阻需要按比例減小到大約15K.當達到終端計數時,在NAND門之后的施密特觸發器反相器級產生7μS復位脈沖.47K電阻和470皮法電容維持輸出,使計數器可靠地復位為零.這在50Khz時不到一個時鐘周期,并且不會引入錯誤,但在1MHz時會達到7個周期,這將導致計數器每秒丟失7微秒的時間.這不是一個錯誤(百萬分之七),但它會存在.4040 CMOS計數器的最小復位脈沖寬度約為1.5uS,因此復位脈沖不能短得多.
下面的示意圖說明了將石英晶體振蕩器信號除以晶體頻率,以獲得精確的(0.01%)1秒時基.兩個級聯的12級計數器(CD4040)形成24級二進制計數器,并且將適當的位門控在一起以產生所需的除法.使用一些偶數倍的2的石英晶體是理想的,這樣計數器的一級自動切換每秒,這消除了對NAND門和復位電路的需要,但是下面的電路說明使用的晶體不是2的偶數倍.所以需要額外的組件.
使用50Khz晶振時,當加起來50000的相應計數器位全部為高時,檢測到50000的計數.這對應于位15(32768)+14(16384)+9(512)+8(256)+6(64)+4(16).位14和15是第二計數器的第3和第4級,位0是第一計數器(Q1,引腳9)的第一級.要使用100Khz晶體,每個位將向右移動一次,因此總數將為(65536+32768+1024+512+128+32=100,000).使用1Mhz晶體,需要以下位: 在1Mhz時,有源晶體振蕩器電路中的330K電阻需要按比例減小到大約15K.當達到終端計數時,在NAND門之后的施密特觸發器反相器級產生7μS復位脈沖.47K電阻和470皮法電容維持輸出,使計數器可靠地復位為零.這在50Khz時不到一個時鐘周期,并且不會引入錯誤,但在1MHz時會達到7個周期,這將導致計數器每秒丟失7微秒的時間.這不是一個錯誤(百萬分之七),但它會存在.4040 CMOS計數器的最小復位脈沖寬度約為1.5uS,因此復位脈沖不能短得多.
正在載入評論數據...
發表評論:
| 姓名: | |
| 郵箱: | |
| 正文: | |
歡迎參與討論,請在這里發表您的看法、交流您的觀點。
相關資訊
- [2026-02-05]瑞斯克CVPD-925系列為LVPECL產品線注...
- [2026-01-24]Golledge與便攜式電子設備的不解之緣...
- [2026-01-22]SiTime破局GNSS帶來的威脅推出了精密...
- [2025-01-04]石英晶體的等效電路常數是多少?
- [2024-12-09]振蕩器定價的 3P :如何最大化您的投資...
- [2024-11-28]軍事戰術通信中的精確計時解決方案
- [2024-11-21]什么是保留?
- [2024-11-20]指定VCXO時區分APR和可拉取性




銷售代表