陶瓷霧化片 Atomization Piece
陶瓷晶振 Ceramic SMD crystal
陶瓷濾波器 CeramicFilter
聲表面濾波器|諧振器 SAW filter
千赫晶體KHZ KHz Crystal
石英晶振 Quartz Crystal
貼片晶振 SMD crystal
NJR晶振
應達利晶振
日本大真空晶體 KDS晶振
精工晶振 SEIKO晶體
日本村田陶瓷晶振
西鐵城晶振 CITIZEN晶振
愛普生晶振 EPSON晶振
NSK晶振 NSK晶振
大河晶振 大河晶振
CTS晶振 美國CTS晶振
TXC晶振 TXC晶振
鴻星晶振 鴻星晶振
加高晶振 加高晶振
百利通亞陶晶振 百利通亞陶晶振
泰藝晶振 泰藝晶振
京瓷晶振 京瓷晶振
NDK晶振 NDK晶振
希華晶振 希華晶振
富士晶振 富士晶振
MERCURY晶振
NAKA晶振
SMI晶振
安基晶振
NKG晶振
Renesas瑞薩晶振
ITTI晶振
CTS晶振
Abracon晶振
微晶晶振
瑞康晶振
FOX晶振
Statek晶振
ECS晶振
IDT晶振
高利奇晶振
SiTime晶振
日蝕晶振
康納溫菲爾德晶振
Jauch晶振
維管晶振
拉隆晶振
格林雷晶振
Pletronics晶振
AEK晶振
AEL晶振
Cardinal晶振
Crystek晶振
Euroquartz晶振
Frequency晶振
GEYER晶振
ILSI晶振
KVG晶振
MMDCOMP晶振
MtronPTI晶振
QANTEK晶振
QuartzCom晶振
QuartzChnik晶振
SUNTSU晶振
Transko晶振
WI2WI晶振
韓國三呢晶振
ARGO晶振
ACT晶振
Milliren晶振
韓國Lihom晶振
rubyquartz晶振
美國Oscilent晶振
韓國SHINSUNG晶振
PDI晶振
C-TECH晶振
IQD晶振
Microchip晶振
Fortiming晶振
CORE晶振
NIPPON晶振
NIC晶振
QVS晶振
Bomar晶振
Bliley晶振
GED晶振
FILTRONETICS晶振
STD晶振
Q-Tech晶振
Anderson晶振
Wenzel晶振
NEL晶振
EM晶振
德國PETERMANN晶振
荷蘭FCD-Tech晶體
HEC晶振
FMI晶振
Macrobizes晶振
德國AXTAL晶振
Silicon晶振
SKYWORKS晶振
DEI晶振
石英晶體振蕩器 石英晶體振蕩器
壓控晶振 壓控晶振
溫補晶振 溫補晶振
壓控溫補晶振 壓控溫補晶振
恒溫晶振 恒溫晶振
差分晶振 差分晶振
32.768K有源晶振 32.768K有源晶振
座機: 0755-27876565
手機: 18924600166
E-mail:yijindz@163.com
QQ:857950243
地址:深圳市寶安區新安107國道旁甲岸路
拉隆晶振,POC系列晶振,三腳插件晶振

.jpg)
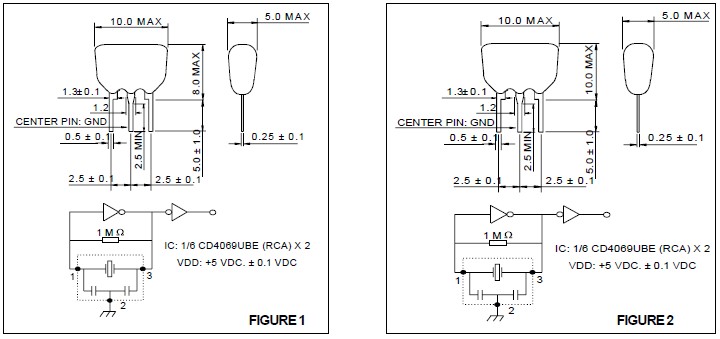
拉隆晶振,POC系列晶振,三腳插件晶振是指晶振內部本身有自帶負載電容的陶瓷諧振器,"壓電陶瓷晶振”, 與CR,LC電路不同,陶瓷振蕩子利用的是機械諧振而不是像壓電石英晶體一樣電諧振的方式起振.這意味著它基本_上不受外部電路或電源電壓波動的影響從而可以制作成無需調整的高度穩定的振蕩電路作為微處理器在電路中使時鐘振蕩器的匹配最適合的元件,并且得到了廣泛應用.ZTT三腳晶振產品系列可用于振蕩電路設計,無需外負載電容器既獲得了高密度安裝,又降低了成本.產品被廣泛應用到數碼電子產品,家用電器,比如電話機,游戲機等電子產品.
Raltron晶振公司為了滿足快速增長的無線應用市場的需求, Raltron晶振也將.其定位作為一個完整的解決方案供應商,在其晶體和振蕩器中添加SAW器件和LTCC濾波器發行.該公司還為同一市場開發了完整的天線產品系列.所有Raltron晶振員工致力于追求品質和卓越、這個哲學通過多年不間斷的增長,使得Raltron處于領先地位.
Raltron晶振通過全球獨立銷售網絡為全球客戶提供支持代表以及亞洲的幾個附,屬辦事處,戰略地位于主要客戶附近和市場.該公司的有源晶振產品由幾家大型全球經銷商分銷目錄房屋以及區域經銷商處理具體的市場.諧振器,時鐘振蕩器和濾波器以及天線在位于的幾個設施中生產中國.該公司正從香港物流樞紐運送全球產品.


| FREUENCY | 1.80-6.0MHz | 6.01-13.00MHZ | 13.01-50.00MHZ |
| FREQUENCY TOLERANCE | ±0.3% MAX | ||
| OPERATING TEMPERATURERANGE | -20°C TO 80°C | ||
| FREQUENCY AGING (10 YEARS) | ±0.3% MAX | ||
| UILT-IN CAPACITANCE | 30 pF ±20% MAX | ||
| STORAGE TEMPERATURE RANGE | -35°C TO +85°C | ||
.jpg)

美國RALTRON晶振公司事業產品廢棄物產出量逐年降低,可回收、再利用之廢棄物比例逐年提高,各項排放檢測數據符合政府法規要求.并由原材料管控禁用或限用環境危害物質與國際大廠對于綠色生產及綠色有源晶振產品的要求相符,于2004年通過SONY綠色伙伴(Green Partner)驗證.
以最小化使用危險材料、能源和其它資源為目的進行公司產品及服務的安全生產和使用,并確保回收利用.以防治7050差分石英晶體振蕩器污染、保存資源的方式進行商務運作,并積極地對以往的環境破壞進行揭露.持續改進,將環境管理與商務運行和決策過程高度集成,規范其行為.不斷進行持續改進的實踐. 拉隆晶振,POC系列晶振,三腳插件晶振
美國RALTRON晶振本于‘善盡企業責任、降低進口三腳晶體諧振器對環境沖擊、提升員工健康’的理念,執行各項環境及職業安全衛生管理工作;落實公司環安衛政策要求使環境暨安全衛生管理成效日益顯著,不僅符合國內環保、勞安法令要求,同時產品也能達到國際環保、安全衛生標準.2003年通過IS014001環境管理系統驗證,秉持“污染預防、持續改善”之原則.

公司:深圳市億金電子有限公司
SHENZHEN YIJIN ELECTRONICS CO;LTD
電話:0755-27876565
手機:18924600166
QQ:857950243
郵箱:yijindz@163.com
網站:http://www.py519.com

.jpg)
.jpg)
公司:深圳市億金電子有限公司
SHENZHEN YIJIN ELECTRONICS CO;LTD
電話:0755-27876565
手機:18924600166
QQ:857950243
郵箱:yijindz@163.com
網站:http://www.py519.com





銷售代表