陶瓷霧化片 Atomization Piece
陶瓷晶振 Ceramic SMD crystal
陶瓷濾波器 CeramicFilter
聲表面濾波器|諧振器 SAW filter
千赫晶體KHZ KHz Crystal
石英晶振 Quartz Crystal
貼片晶振 SMD crystal
NJR晶振
應達利晶振
日本大真空晶體 KDS晶振
精工晶振 SEIKO晶體
日本村田陶瓷晶振
西鐵城晶振 CITIZEN晶振
愛普生晶振 EPSON晶振
NSK晶振 NSK晶振
大河晶振 大河晶振
CTS晶振 美國CTS晶振
TXC晶振 TXC晶振
鴻星晶振 鴻星晶振
加高晶振 加高晶振
百利通亞陶晶振 百利通亞陶晶振
泰藝晶振 泰藝晶振
京瓷晶振 京瓷晶振
NDK晶振 NDK晶振
希華晶振 希華晶振
富士晶振 富士晶振
MERCURY晶振
NAKA晶振
SMI晶振
安基晶振
NKG晶振
Renesas瑞薩晶振
ITTI晶振
CTS晶振
Abracon晶振
微晶晶振
瑞康晶振
FOX晶振
Statek晶振
ECS晶振
IDT晶振
高利奇晶振
SiTime晶振
日蝕晶振
康納溫菲爾德晶振
Jauch晶振
維管晶振
拉隆晶振
格林雷晶振
Pletronics晶振
AEK晶振
AEL晶振
Cardinal晶振
Crystek晶振
Euroquartz晶振
Frequency晶振
GEYER晶振
ILSI晶振
KVG晶振
MMDCOMP晶振
MtronPTI晶振
QANTEK晶振
QuartzCom晶振
QuartzChnik晶振
SUNTSU晶振
Transko晶振
WI2WI晶振
韓國三呢晶振
ARGO晶振
ACT晶振
Milliren晶振
韓國Lihom晶振
rubyquartz晶振
美國Oscilent晶振
韓國SHINSUNG晶振
PDI晶振
C-TECH晶振
IQD晶振
Microchip晶振
Fortiming晶振
CORE晶振
NIPPON晶振
NIC晶振
QVS晶振
Bomar晶振
Bliley晶振
GED晶振
FILTRONETICS晶振
STD晶振
Q-Tech晶振
Anderson晶振
Wenzel晶振
NEL晶振
EM晶振
德國PETERMANN晶振
荷蘭FCD-Tech晶體
HEC晶振
FMI晶振
Macrobizes晶振
德國AXTAL晶振
Silicon晶振
SKYWORKS晶振
DEI晶振
石英晶體振蕩器 石英晶體振蕩器
壓控晶振 壓控晶振
溫補晶振 溫補晶振
壓控溫補晶振 壓控溫補晶振
恒溫晶振 恒溫晶振
差分晶振 差分晶振
32.768K有源晶振 32.768K有源晶振
座機: 0755-27876565
手機: 18924600166
E-mail:yijindz@163.com
QQ:857950243
地址:深圳市寶安區新安107國道旁甲岸路
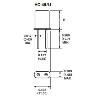
FMI晶振,HC-49/U晶振,二腳晶體諧振器

.jpg)
FMI晶振,HC-49/U晶振,二腳晶體諧振器最適合用于兒童玩具,普通家用電器,即使在汽車電子領域中也能使產品高可靠性的使用.并且可用于安全控制裝置的CPU時鐘信號發生源部分,好比時鐘單片機上的石英晶振,在極端嚴酷的環境條件下,晶振也能正常工作,具有穩定的起振特性,高耐熱性,耐熱循環性和耐振性等的高可靠性能,由于在49/S形晶體諧振器的底部裝了樹脂底座,就可作為產品電氣特性和高可靠性無受損的表面貼片型晶體諧振器使用,滿足無鉛焊接的回流溫度曲線要求.
FMI CRYSTAL作為標準通信公司的專 屬供應商,我們成立于1971年30多年來,我們一直為通信市場提供快速交付和嚴格公差,晶振石英晶體和晶體振蕩器.1992年頻率管理已擴展到OEM市場.
FMI頻率管理國際公司成立的目的是為各種行業的各種電子系統應用提供頻率和時序控制的工程解決方案.FMI Crystal是一家真正以解決方案為導向的美國制造商.我們目前向各個細分市場供應產品,包括:軍事航空電子學控制系統,無線通信,工業控制汽車系統電腦周邊,LANWAN,以及智能家電等領域.
高可靠性-極端溫度晶體,振蕩器和傳感器,適用于極端環境條件包括高沖擊和振動,極端溫度和高壓我們的SMD晶振,石英晶體振蕩器產品提供標準和定制表面貼裝( SMT,SMD )和通孔封裝.
高可靠性-極端溫度晶體,振蕩器和傳感器,適用于極端環境條件包括高沖擊和振動,極端溫度和高壓我們的SMD晶振,石英晶體振蕩器產品提供標準和定制表面貼裝( SMT,SMD )和通孔封裝.
FMI晶振設計,生產和質量流程以及標準是我們所有商業和高可靠產品中固有的我們專注于極端環境解決方案和產品,包括極端溫度石英貼片晶振晶體振蕩器,VCXO和傳感器用于井下應用,包括石油鉆探天然氣和石油勘探,地熱和熱液,以及軍事和太空的專業應用.
同時,FMI晶振集團目前向各種商業/工業市場提供產品,包括:計算機外圍設備,工業儀器儀表,LAN/WAN,光網絡,過程控制,電信和無線產品.我們專注于高質量的壓控溫度補償晶體振蕩器( VCTCXO ) ,壓控晶體振蕩器( VCXO ) ,溫度補償晶體振蕩器( TCXO晶振)晶體時鐘振蕩器( XO晶振)和石英晶體采用表面貼裝和通孔封裝.我們提供石英晶體和擁有源晶振

.jpg)

| Parameter | Specification |
| Frequency | 1.8-180MHz |
| Load Capacitance (CL) | 18 pF or 60 pF and Series availabie |
| Frequency Tolerance | ±30 ppm @ 25°C |
| Turnover Temperature | +25°C±50°C ppm |
| Temperature Coefficient | (-3.5 ±1.0) X 10-8/ºC2 |
| Operating Temperature | 0 to +70°C |
| Equivalent Series Resistance (ESR) | 50KΩmax |
| Drive Level | 0.1 µW typical, 0.5 µW max |
| Aging @ +25°C | ±5 ppm per year max |
| Reflow Conditions | +260ºC ±10ºC for 10 sec max, 2 reflows max |
.jpg)


制造和測試:
我們對所有產品進行 100% 檢驗、過程中和最終電氣測試。 在大多數情況下,我們測試產品的參數都超過了行業標準。 我們使用市場上的一些最新設備來制造和測試各種產品系列。FMI晶振,HC-49/U晶振,二腳晶體諧振器
追溯系統:
良好的可追溯性使我們的客戶高枕無憂,因為我們正在監控制造過程中的每一個元素并運送最高質量的成品。 我們識別并記錄我們產品中元素的唯一標識,以確保有效的可追溯性。 我們的石英晶體諧振器在整個過程中通過其頻率值來識別。 產品狀態在我們的整個制造運營過程中受到監控。
.jpg)
.jpg)
公司:深圳市億金電子有限公司
SHENZHEN YIJIN ELECTRONICS CO;LTD
電話:0755-27876565
手機:18924600166
QQ:857950243
郵箱:yijindz@163.com
網站:http://www.py519.com
地址:廣東省深圳市寶安區新安107國道旁
SHENZHEN YIJIN ELECTRONICS CO;LTD
電話:0755-27876565
手機:18924600166
QQ:857950243
郵箱:yijindz@163.com
網站:http://www.py519.com
地址:廣東省深圳市寶安區新安107國道旁





.jpg)
銷售代表